You are here: Home » Products » Hydraulic Check Valve » Pilot-operated In-line Check Valve with Drain Port SL10/20/30G

loading

Share to:
facebook sharing button
twitter sharing button
line sharing button
wechat sharing button
linkedin sharing button
pinterest sharing button
whatsapp sharing button
sharethis sharing button

Pilot-operated In-line Check Valve with Drain Port SL10/20/30G

Hydraulic check valves although simple, perform a very important function within a hydraulic system.
Check valves allow the free flow of fluid in one direction and block the flow travelling in the opposite direction.
Also known as an NRV (non-return valve) these simple devices help eliminate any potential damage caused by fluid backflow pressure.
 
Highlights

√ FREE sample in 5 days
√ 100% test before finished
√ 2 Years Warranty
√ 15 Davs/On Time Delivery
√ No leakage
√ Wide Range Specification
√ Customized/ODM/OEM accepted
√ Quick Response Within 12 hours
√ Small MOQ Accepted
√ LOGO customized
  • MGF series

  • Mongor Fluid

Availability:
Quantity:

Basic Specifications

Product Model Pilot-operated in-line check valve with drain port SL10/20/30G
Brand
Mongor Fluid
Norminal Diameter
10mm 20mm 30mm
Control Way Hydraulic control
Connected Way
Plate Connection
Flow Direction One-way
Norminal Pressure(MPa) 31.5
Working Temperature(℃)
-30-+80℃
Material

Cast iron

Weight(kgs)
2.5 4.5 8.0
Place of Origin

China

Customized Accepted
Warranty Time 1 year
Standard

ISO9001



What we offer


hydraulic components supplier in China

Valves for Hydraulic System

Hydraulic Ball Valves


hydraulic manifolds supplier Hydraulic Manifold Blocks
hydraulic componts supplier

Hydraulic Test Point Fittings





Product Description

Details & Advantages

Models

Models


Pilot-operated in-line check valve details


Right angle hydraulic check valve block detail 2


Pilot-operated in-line check valve structure




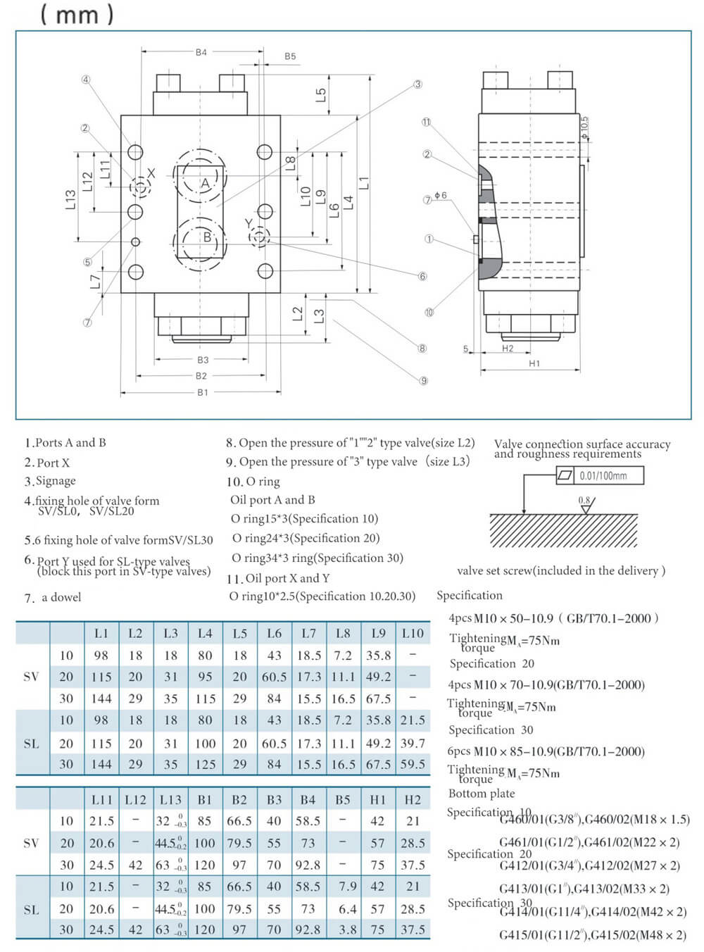
Pilot-operated in-line check valve specification


Manufactuing


Factory of Mongor Fluid


With over 10 years experience&ISO 9001 system&SGS management, Mongor Fluid offer high performance hydraulic valves.


Mongor Fluid factory

New Factory

hydraulic ball valves manufacturer

Manufacturing Workshop 1

hydraulic valves workshop

 Manufacturing Workshop 2


Automatic assembly line

Automatic Assembly Line

hydraulic manifold blocks workshop 1

Hydraulic Manifold blocks Workshop 1

hydraulic manifold blocks workshop 2

     Hydraulic Manifold blocks Workshop 2



What Guarantees Our Quality


hydraulic test couplings China manufacturer Ikin workshop

over 100pcs high precision machine

workers of Ikin Fluid

technic workers with over 5 years experience

SGS and ISO certificate for IKIN

ISO and SGS system management


hydraulic check valve 3D drawing_副本

mature design structure, stable and long life

fully-automated-assembly-equipment-for-ikin-test-point

Fully automated assembly equipment, efficient

bulk hydraulic valves

100% leakage test before finished



FAQ

FAQs

  • How to exchange your hydraulic components such as manifold block, ball valves etc. models with other brands such as Parker?

    Created with Sketch.
    形状 Created with Sketch.
    Contact us, we will exchange it for you.
    Reply will be in 12 hours.
  • Delivery Time

    Created with Sketch.
    形状 Created with Sketch.
    10-15 working days for bulk cargo.
  • Sample

    Created with Sketch.
    形状 Created with Sketch.
    We will apply free sample for you, usually it will be sent in 1 week.
  • Warranty Time

    Created with Sketch.
    形状 Created with Sketch.
    2 years
  • How to guarantee quality?

    Created with Sketch.
    形状 Created with Sketch.
    Semi-inspection and final 100% inspection is well controlled.
  • Loading Port

    Created with Sketch.
    形状 Created with Sketch.
    The nearest is Shanghai and the next one is Ningbo, China.
  • MOQ

    Created with Sketch.
    形状 Created with Sketch.
    50pcs
Previous: 
Next: 

Mongor Fluid World Co., Ltd

Menu

Products

Contact Us

Tel : 86-0519-85253639
Email : market@mongor-world.com
Address : Chunjiang Town, Xinbei District, Changzhou City, Jiangsu Province
Zip Code : 213126
© COPYRIGHT 2022 MONGOR FLUID WORLD CO., LTD ALL RIGHTS RESERVED.